|
用于以太網供電(PoE)的ASFET專為配合使用最新的高功率、PSE控制器而設計:
|
![]() |
|
電源設備/以太網供電 |
Nexperia實際應用
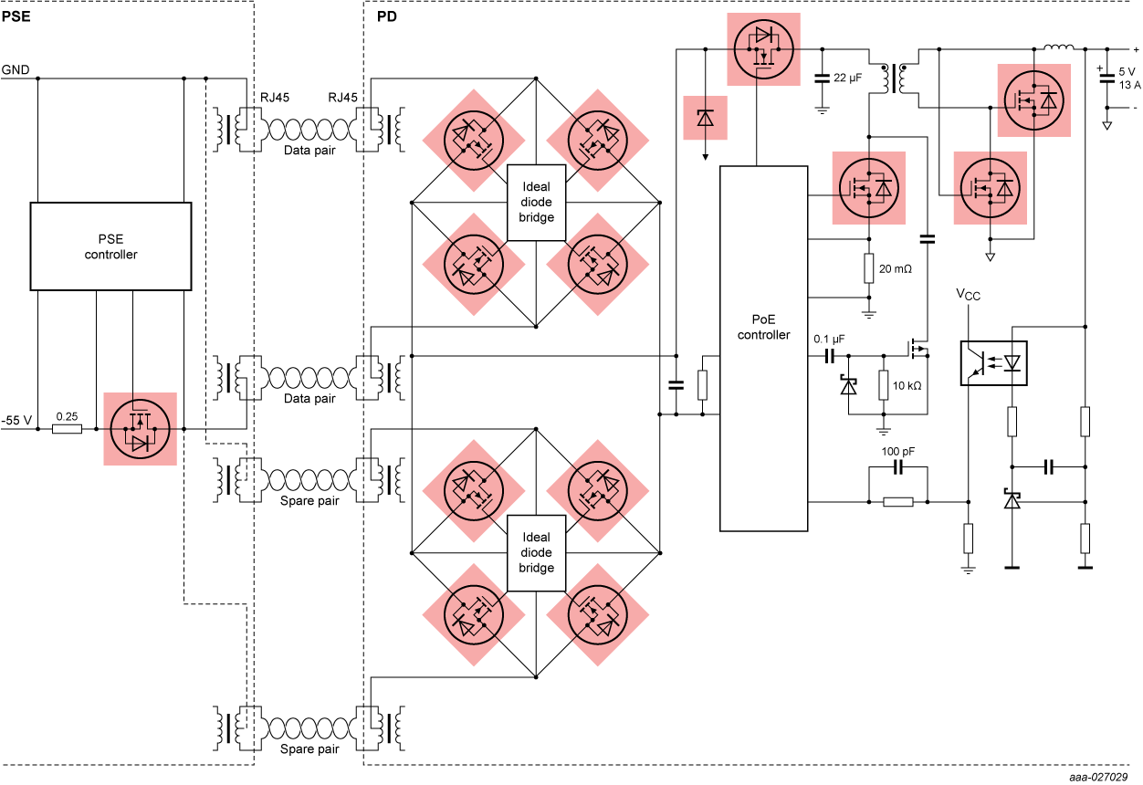
凌力爾特的LTC4279新PSE控制器數據手冊中引用的PSMN075-100MSE、PSMN040-100MSE、PSMN4R8-100BSE MOSFET來自我們差異化的適用于熱插拔和軟啟動的ASFET/適用于以太網供電的ASFET產品組合。
精選產品
Featured documents
最新視頻
參數搜索
數據加載中,請稍候...產品
| 型號 | 描述 | 狀態 | 快速訪問 |
|---|---|---|---|
| PSMN040-100MSE | N-channel 100 V 36.6 mΩ standard level MOSFET in LFPAK33 designed specifically for high power PoE applications | Production | |
| PSMN047-100NSE | N-channel 100 V, 53 mOhm standard level ASFET with enhanced SOA in DFN2020. Designed for high power PoE, inrush management, eFuse and relay replacement | Production | |
| PSMN071-100NSE | N-channel 100 V, 82 mOhm standard level ASFET with enhanced SOA in DFN2020. Designed for high power PoE, inrush management, eFuse and relay replacement | Production | |
| PSMN075-100MSE | N-channel 100 V 71 mΩ standard level MOSFET in LFPAK33 designed specifically for PoE applications | Production |
Application note (2) |
|||
|---|---|---|---|
| 文件名稱 | 標題 | 類型 | 日期 |
| AN11158.pdf | Understanding power MOSFET data sheet parameters | Application note | 2025-09-10 |
| AN50006.pdf | Power MOSFETs in linear mode | Application note | 2025-09-08 |
Marcom graphics (1) |
|||
| 文件名稱 | 標題 | 類型 | 日期 |
| RS2780_PoE_blue-scr.jpg | POE MarCom image | Marcom graphics | 2020-09-16 |
